江苏吉仁达环保科技有限公司
热门关键词: 选粉分级系列 | 水泥粉磨行业 | 煤灰分选行业 | 骨料砂石行业 | 钙粉分选行业 | 碳酸锂行业 | 其他分选行业 | 除尘环保系列 | 节能烘干系列 | 脱硫脱硝工程 |
地址:江苏盐城市解放南路158号
电话:0515-88421988
技术咨询:13218601008
销售热线:18112859255
网址:www.jsjrd.cn
邮箱:jsycjrd@163.com
石灰石—石膏法烟气脱硫装置
钠-钙双碱法脱硫
SNCR脱硝技术
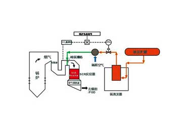
SCR选择性催化还原脱硝技术
SNCR选择性催化还原脱硝技术
湿法脱硫-石灰石/石膏烟气脱硫
锅炉石灰法脱硫
活性炭干式环保箱
从制砖工艺浅谈脱硫除尘